Photo Gallery

Discocyclina cookei Vaughan, 1936
Description Vaughan, T. W. (1936). New Species of Orbitoidal Foraminifera of the Genus Discocyclina from the Lower Eocene of Alabama. Journal of Palaeontology. Vol. 10, No. 4 (Jun., 1936), pp. 253-259.page(s): p. 256, pl. 42, figs, 1-6.
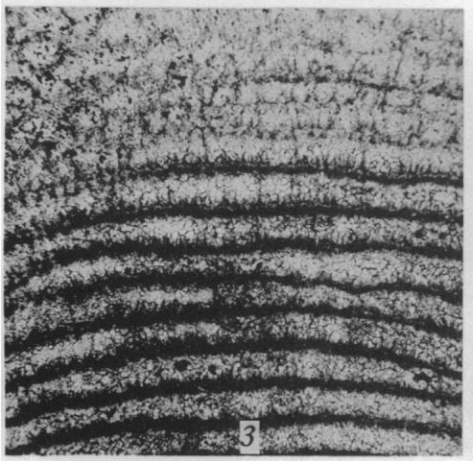
1, Views of the exterior of three specimens, X5. 2, Equatorial section, X15. 3, A part of the equatorial section, X85, of the specimen represented by fig. 2. This figure shows some of the radial walls, a few of which appear to reach from one annular wall to the next. Others are short. In most of the areas between annular walls the radial walls are absent. 4, Vertical section of a specimen, X27. 5, Vertical section of another specimen, X27. 6, The peripheral part, X85, of the left-hand of the specimen represented by fig. 5. Note that the up- per and lower walls of the equatorial layer almost touch, so that most of the equa- torial layer is represented only by a dark line. PNG file - 253.12 kB - 473 x 461 pixels added on 2025-09-0528 viewsForaminifera taxa Discocyclina cookei Vaughan, 1936 † accepted as Athecocyclina cookei (Vaughan, 1936) †checked Le Coze, François 2025-09-05
This work is licensed under a Creative Commons Attribution-NonCommercial-ShareAlike 4.0 International License
Click here to return to the thumbnails overview